Features:
· Focusable
· Fast Rise Time
· High Reliability
· Reverse Voltage Protection
· Modulation and CW options
Contact Us
532nm class 3R medical modulation laser module
Features:
· Focusable
· Fast Rise Time
· High Reliability
· Reverse Voltage Protection
· Modulation and CW options
Product Details:
532nm class 3R medical modulation laser module
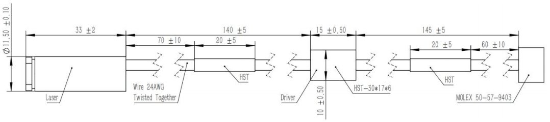
Dimensions (Unit: mm):
![]()
Product Specifications:
| Specification | G532D005-11.5x33-1.5-(15-35)-10 |
| Wavelength | 532 ±2 nm |
| Output Power | <5 mW |
| Spatial Mode | TEM00 |
| Laser Class | 3R |
| Beam Diameter at Output Window (mm) | 1 |
| Beam Asymmetry | ≤ 1:1 |
| Residual IR | <4% |
| Beam Divergence (full-angle) (mrad) | <1.5 |
| Rise Time (Seconds) | <0.5 |
| Polarization Ratio | >100:1 |
| Output Power Mode | PWM |
| Operating Temperature (℃) | 15 to 35 |
| Storage Temperature (℃) | 0 to 50 |
| Modulation Voltage (DC, V) | <5 |
| Weight (g) | ≤ 20 |
| Lifetime (hours) (MTTF at 25℃) | >5000 |
Inquire Now